J'étudi l'installation d'un (vieux) onduleur Merlin Gerin SXM 10000, et j'ai 2 problèmes pour lesquel vous pourrez peut etre m'aider...
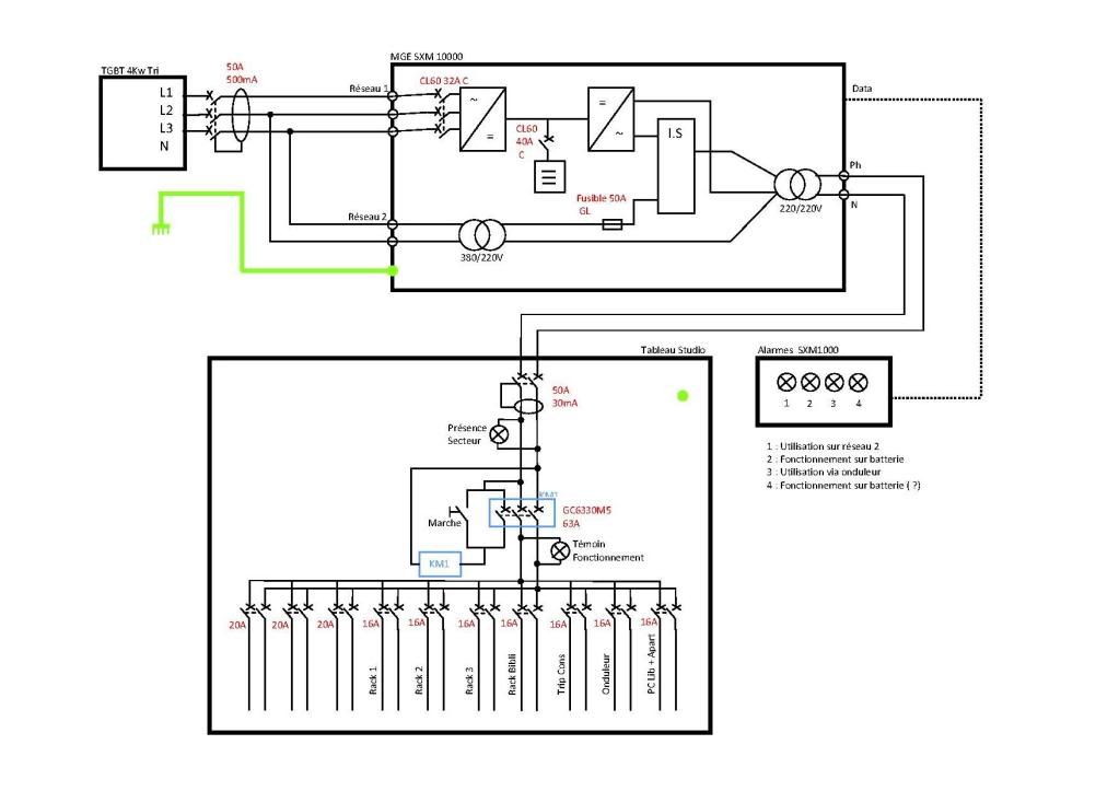
Voici le schema de l'installation :

En plus grand ici :
http://i262.photobucket.com/albums/ii10 ... stud-1.jpg
Première question : regime de neutre en sortie. Je devrai vraisemblablement adopter un regime TT (Le plus "simple" d'aprés ce que j'ai compris), dans la doc de l'onduleur, il est precisé que pour realiser un TT en sortie, je dois connecter ma terre "utilisation" au neutre, en sortie de l'onduleur (Je ne brancherai donc pas la terre du compteur studio sur la terre relié a la carcasse de l'onduleur, mais directement sur le neutre, c'est cela ?).
D'ou mon PB : je mesure 97v entre le neutre en sortie de l'onduleur, et la terre relié à sa carcasse,
et dans mon installation, deux types de prises vont etre posées : les ondulées, et le non ondulé (issus d'un second TGBT EDF) -> j'aurai donc une DDP de 97v entre les terres des deux type de prises ??? Dangereux non ???? Il me faut un autre regime de neutre ?
J'imagine que si je ponte le neutre en sorti d'onduleur, et la terre "carcasse", je vais faire sauter quelque chose non ?!
Deuxieme question : en fonctionnement, j'ai un fort gressillement qui provient d'une sorte de transfo :

En plus grand ici :
http://i262.photobucket.com/albums/ii10 ... esille.jpg
Celui ci est situé juste avant le transfo de sorti (il y est relié directement), et son primaire provient de l'inverseur statique je pense (Pas sur...) et n'ayant aucune doc ou schema à part le mode d'emploi, je ne sais pas a quoi il peut bien servir.
Je n'ai pas non plus l'experience pour savoir si ce gressillement est normal ou pas. Il est assez fort (il couvre le bruit des ventillos), et ressemble au gressillement que j'ai entendu sur des transfo d'alim de vieilles machine. Est-il possible que ce soit un signe de trés prochaine panne ? L'onduleur à été stocké -à peut prés...- au chaud, pendant 10 ans, sans etre utilisé. Aujourd'hui ses batteries sont, neuves, j'ai testé une bonne partie des capa de puissance, elles n'ont pas déviées du tout. Capas de la parti controle non testés.
J'ai testé l'onduleur en (petite) charge, 1,8Kw pendant 15min pour le moment, tout allait bien.
Alors docteur ?
(Merci d'avance pour vos conseil !)
