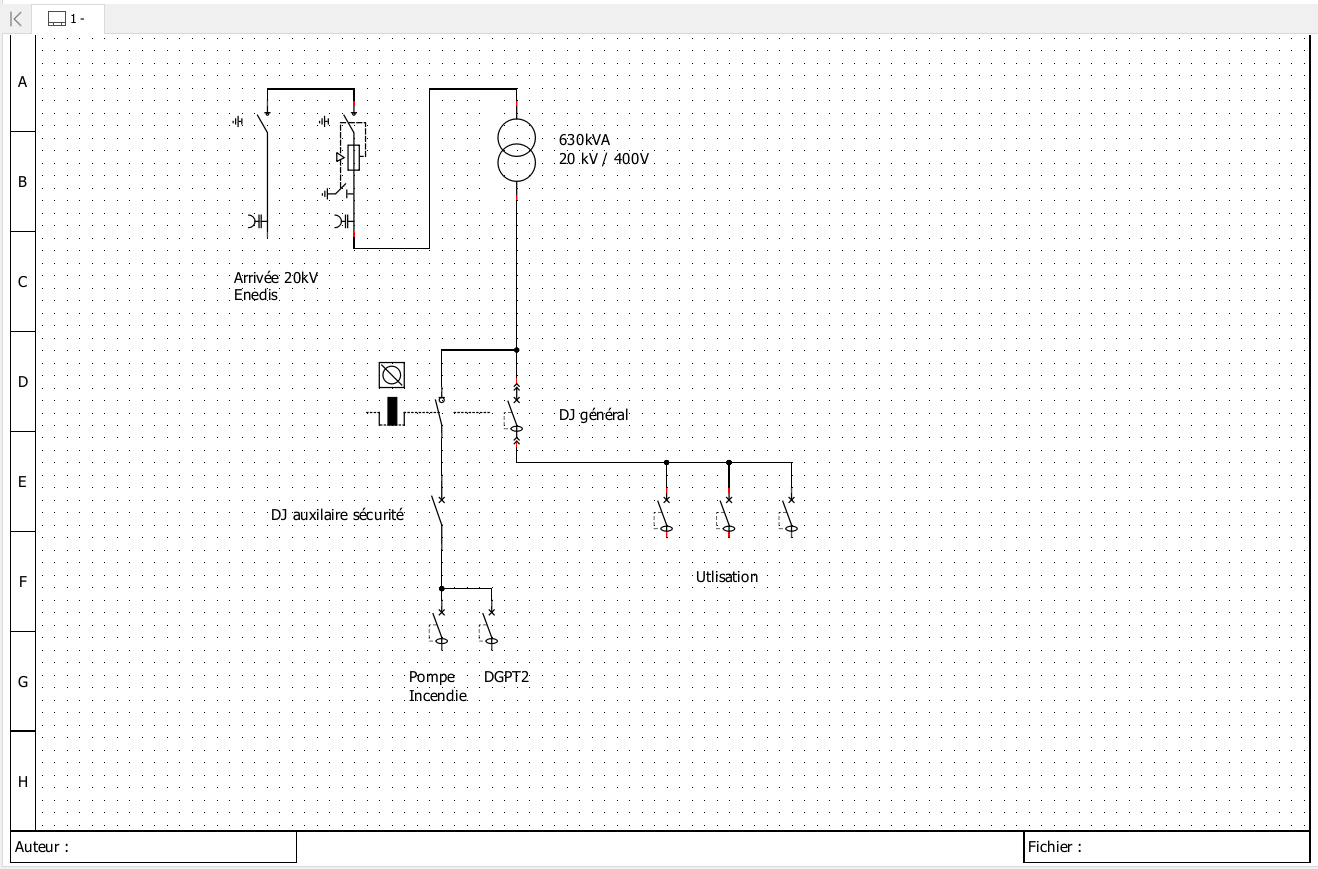
Dans le cadre du contrôle des équipements incendie RIA, l'organisme de contrôle nous demande de raccorder le disjoncteur des pompes RIA en amont de la coupure générale. Étant donné que la coupure générale est réalisée par un masterpact débrochable, il est difficile de garder le sectionnement total (visible) de l'installation après travaux HTA.
Pensez-vous qu'il est possible de rajouter un disjoncteur type NXS100 avec sectionneur en parallèle du disjoncteur général ?
Merci. :)



